一辆行驶里程约9.6万km、搭载3.0L 272946发动机、722.9的7速自动挡变速器的2013款奔驰S300L。客户反映:该车仪表电动驻车制动器报警。
故障诊断:检查车辆时发现只要打开点火开关2挡或启动发动机仪表就报警“驻车制动器功能不可用”,操纵电子手刹开关时,驻车制动器无任何反应。
使用奔驰诊断仪XENTRY检测有相关故障码,如图1所示。

可能的故障原因:
*驻车制动器开关损坏
*驻车制动器电机都损坏
*线路故障
*驻车制动器控制单元损坏
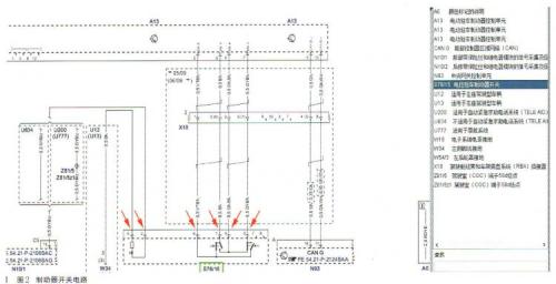
根据诊断仪显示的故障码提示,首先检测驻车制动器开关的供电及信号通信。根据电路图(如图2所示):其中5针脚接地,2号针脚为供电,6、1、4、3号针脚为通信信号针脚。

打开点火开关至2挡,使用万用表分别测量针脚5-2、5-6、5-1、5-4、5-3,电压分别为12.2V、9V、8.7V、8.5V、7.9V。判断驻车制动器手刹开关的供电、搭铁及信号通信均正常。根据诊断仪检测的故障码,此时怀疑电子手刹开关损坏,但还不能完全确定手刹开关损坏。拆下电子手刹开关检查未发现进水及有外观损坏。尝试与其他正常同款车辆互倒电子手刹开关后故障依旧,判断此时更换电子手刹开关不能解决问题。
使用诊断仪激活驻车制动器,驻车制动器能正常驻车,并伴随两个电机正常工作的声音,当用诊断仪释放驻车制动器时,驻车制动器功能也正常,说明线路及电机均无间题。能用诊断仪激活及释放驻车制动器说明控制单元“没有损坏”,但怀疑驻车制动器控制单元有异常,于是进行下一步检查。
当拔下驻车制动器控制单元插头时发现控制单元插头处严重进水,并且控制单元插针严重腐蚀,如图3所示。

怀疑控制单元因插头进水已烧坏,尝试清理插头及插座后试车故障依旧,驻车制动器控制单元损坏。
故障排除:更换驻车制动器控制单元后反复试车电动驻车功能正常。

扫一扫关注微信