在进入年销量百万俱乐部之前,长城已经在技术上迅猛发力,大大增加了自主研发的力度,产品矩阵得到扩展,更新节奏也快了很多。
长久以来,长城品牌旗下产品的燃油经济性都备受消费者诟病,内燃机热效率与传动系统效率急需提升,纯电产品在欧拉发力之后才有所改善(此前的油改电产品线不堪回首)。

诚然,原先的旗舰产品WEY P8属于试水之作,算不上很成功,但也为长城汽车在新能源领域积累了丰富的实战经验。
今天我们要来拆解剖析的柠檬混动DHT动力系统,则是长城在新能源领域的新力作,成熟度大增,值得我们详聊。
长城DHT是什么?
每一个车企都会给自己的核心技术起个专用名,贴个金,方便宣传。比如大众TSI、保时捷PDK、斯巴鲁DCCD、丰田THS、本田MM理念等等。
品牌上身业务做得如火如荼的长城,自然不能免俗,也来了一个:
DHT = Dedicated Hybrid Technology =混合动力专用技术=柠檬混动

此外,业界有更通用的介绍,那就是:
DHT = Dedicated Hybrid Transmissions =混合动力专用变速器
因此,不仅长城的混动变速箱叫DHT,其他企业的P2结构混动变速箱都叫DHT。
关于长城DHT混合动力系统的试驾体验,可以先看下文:

长城DHT的核心思路
柠檬混动DHT的物理构架:汽油机与动力电机混合,利用各自的物理优势为对方补缺。
柠檬混动DHT的物理特点:全速域&全场景、高效能&高性能。
柠檬混动DHT的客户画像:以城市出行为主、兼顾高速出行的用户。
简单来说,柠檬混动DHT是一组模块化的混合动力系统,可以兼容HEV非插电混动和PHEV插电混动,可以兼容前驱与后驱,可以兼容从紧凑型车到中大型车的动力系统装备需求。
模块化设计的可以带来更高的集成度、更小的体积、更轻的重量,同时也可以缩短设计时间(等同于加快新产品更新速度),成本降低(让利空间加大),维修保养成本降低,可靠性也会更佳。
缺点肯定也会有的,比如同一零部件在更广的范围装备,如果遇上设计错误或装配缺陷,召回数量就是数十万级别的,成本极高。通用汽车、大众汽车、丰田汽车也都面临着这种难题,不过这几家巨头都义无反顾地选择了更低成本(和更高犯错成本)的模块化思路。

下面笔者会详细分析DHT的商业化思路,其中包括:
DHT的核心技术(底层技术的思路)
DHT的三种动力构架(组建总成的思路)
三个级别的DHT动力系统(组建商品车动力阵列的思路)
长城推广DHT的积极意义(整体的商业思路)
长城DHT的核心技术
长城DHT不是一项技术,而是一套能用非常多年的混合动力总成解决方案。

A
1.5L混动专用发动机
内燃机是HEV/PHEV的核心动力源,这次透露的发动机技术并不多,我们就简单了解一下。

看官方资料截屏便可知晓,这是一台四缸机(看着四根歧管终于松一口气),最大功率75kW(102PS),峰值扭矩135N·m,这个数值对于混动专用发动机而言并不重要,更需要披露的是发动机万有特性曲线。

好在,还是有一个关键信息点出现——阿特金森循环(Atkinson Cycle)。

阿特金森循环的重点在于采用进气门晚关的方式实现“膨胀比大于压缩比”,让活塞的做工行程长于压缩行程,能效更高。
由于采用了13:1的高压缩比,对燃油的辛烷值还是有要求的,这次长城并未透露燃油标号。
B
1.5T混动专用发动机
此次现场没有出现1.5T版本的实体,输出值为115kW(156PS)/235 N·m。

这台加装了增压装置的1.5T采用米勒循环(Miller Cycle),依然实现了“膨胀比大于压缩比”,不过实现方式不同,米勒在进气行程结束之前一点点关掉了进气门,如此一来可以在低负荷区间省更多燃料。

以上都不是重点,重点是这台1.5T搭载了VGT!
这是涡轮增压器的新技术,全名为可变截面涡轮技术(VGT,Variable Geometry Turbocharger),通过安装可调涡流截面的导流叶片,改变废气入口的横切面积,同时兼顾涡轮在低转速和高转速时的性能表现,缓解涡轮迟滞问题,且不再需要设置排气泄压阀,并获得更佳的燃油经济性。
由于这台1.5T集成程度高,因此占用发动机舱的空间很小,转向机构有更大的容纳空间,转向直径更小。
C
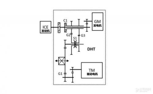
变速箱内嵌的发电/驱动电机
长城官方称之为“高度集成高效多模混动变速器”,里头装了一台GM发电机和一台TM驱动电机,均在P2位置(变速箱内部),因此都叫P2电机也行。
这台变速箱有5个档位,P、R、N、D1、D2,完成当作自动挡来进行傻瓜操作就行。

其中,TM驱动电机功率范围是100kW-130kW,扭矩范围是250N·m-300N·m,是个比内燃机强很多的硬核角色。


对于这台在P2位置装了两台永磁电机的变速箱而言,主要运用到以下四种工况,内部通过单离合器实现自动换挡:

1、EV模式:TM直接驱动前轮。
2、串联模式:ICE通过GM发电,TM用电驱动前轮。
3、并联模式:ICE直接驱动前轮,GM和TM帮ICE调节转速到高效点,还能辅助驱动前轮。
4、能量回收:TM反转回收。

永磁电机的优势是结构简单且可靠性强,功率因数高,启动扭矩大,体积小,不过要使用稀土(恰好中国是稀土大国,运气好)。
下图的定子使用发卡式扁线设计,槽满率高达70%,有效提升电机功率密度。
由于采用短距绕组排布,优化了气隙谐波,降低各阶次电磁力,改善48及96阶高频噪声(平时开电动车觉得很刺耳的朋友应该不在少数)。


下图,使用低损耗的0.27mm硅钢片,铁损降低17%以上。换句人话来说,电动机工作时存在损耗,运行时铁芯内部产生涡流,涡流经过铁芯时令其发热耗能,铁损低就是节能。

这套DHT的研发花了两年多时间,前期验证的时间也很长。之前福特和通用也没做得很成功,绕开日本双田的专利就只有很少的发挥空间,现在中国人终于自己做出一套混动系统。
由于使用了定轴齿轮传动,最高传动效率≥97%,更节油,还可实现无动力中断换挡,提升驾驶平顺性。

与此同时,这台装了两台P2电机的混动变速箱只有很小的体积,并不会过度占用机舱空间,官方的数据是“容积比传统DCT降低50%以上”。

还有一个亮点就是采用了无液压模块,优化油路设计,油路与壳体集成,降低油路复杂度,机子更容易保养维护,故障率更低。
D
双电机控制器
上方的铸铝箱体是双电机控制器。体积小,集成化程度高,NVH更佳。

拆出来就是下图这个模样。长城采购了英飞凌的新款芯片,并采用双面水冷技术,有助于提升稳定性,降低整车油耗电耗。

关于双电机控制器,暂时没有更多消息透露。
E
P4后桥电机
四驱版在P4位置有一台大功率电机,免去了前置车型往后桥的机械传动机构,直接上“电四驱”。不过这台P4电机今天也没到场。

这台后桥驱动电机的输出为135kW(184PS)/233Nm,电机最高效率≥96%,总成质量75kg。

这台P4电机有两个设计亮点,一个是采用了两挡平行轴结构设计,整车轮端扭矩提升30%,同时可扩大电桥高效区域面积,提升整车经济性2%以上。
另一个是设计了断开机构,完全不需要后桥动力时直接变身前驱车(跟quattro Ultra一个道理),可有效减少高速电桥拖拽损耗,提升整车经济性。
F
HEV电池包
PHEV电池包和HEV同样缺席今天直播,因此没有更多信息点获得。

HEV版本的动力电池不需要很大,这一款的容量为1.76kWh,风冷结构(水冷的话成本兜不住吧,而且也没这么强的散热需求),放电功率70.9kW,质保8年15万公里。
G
PHEV电池包
长城DHT的PHEV版本动力电池从13kWh-45kWh都有选,最高电量45kWh/最长纯电续航200km,因此长城汽车称之为“全球最大电量PHEV电池”,的确比理想ONE的40.5kWh要高。

这组PHEV电池有三大亮点:
1、用水冷温控系统,虽然成本高,但降温效果好,安全性也随之提高(避免局部高温,热失控的可能性降低)。
2、用CTP(Cell to Pack)把整包能量密度提升到160Wh/kg,在PHEV领域属于挺了不起的成绩。
3、支持11kW交流慢充和直流快充,最快30分钟充满80%,用来跑营运都没问题。现在一部分营运PHEV因为没有快充功能,居然花3000块去找民间科学家改直流快充,从能量回收模块那里灌进去,这种粗暴方案没有任何安全保障。
此外,长城还给出了这组PHEV电池的放电功率,足足246kW(RT,10s,50% SOC)可以给未来可能出现的高性能车型提供冗余,此外长城还给出了8年/15万公里电池质保,比国家规定的多3万公里。
长城DHT的三种动力架构
说完基本的技术元素,我们下面来组装动力总成。
A
HEV前驱车型动力架构
HEV比PHEV难整,现在全球车企都很讨厌丰田一家独大的HEV架构专利,目前只有本田这家绕丰田专利绕得特别成功的,长城现在也加入了竞争行列。
PHEV可以外部补电,跑NEDC循环可以利用规则漏洞随便弄个100km烧1L多汽油的假成绩,HEV则作假不了,多数HEV产品实际运作起来就是退潮时裸泳。

长城B级SUV(中型SUV)装载DHT的HEV动力系统之后,市区油耗低至5.0L/100km,高速工况油耗低至6.5L/100km,最牛的是0-100km/h加速时间低至7.5s,因为多数HEV车型都肉成一副精神不振的颓废样子。
B
PHEV前驱车型动力架构
下面这张俯视图就是PHEV前驱车型,将后桥上的HEV改成底盘中央的PHEV。

因为电池更大了,电机功率可以提升,0-100km/h加速时间低至7.2s,百公里综合油耗低至0.7L(NEDC跑法,你懂的)。
这组PHEV电池很大,容量并未公布,纯电续航里程达170km,可以实现工作日通勤用电,周末郊游烧油。
C
PHEV四驱车型动力架构
下图在前文出现过,PHEV四驱车型,前后桥电机同时输出动力,系统总功率高达320kW(435PS),纯电续航最高200km。

长城DHT的PHEV四驱版本拥有更加智能的电四驱系统,去除机械传动装置,前后动力分离,动力分配更加灵活;前后桥扭矩0:100-100:0智能动态调节,可以更好地利用抓地力,提升整车操控稳定性。
应对不同路况时,这套电四驱有自己的运行逻辑:
1、冰雪路面:全时四驱,最大限度利用地面附着力,可能够实现EV四驱、低速串联四驱、中高速并联四驱。
2、泥泞路面:串联模式驱动,适时四驱,前后桥动力智能切换,实现脱困:前轮边最大扭矩3000Nm,后轮边最大扭矩2800Nm。
3、沙地:适时四驱,前后桥驱动力控制与底盘系统配合,适应硬沙、软沙各种路况,动力随路面变化自动调整。
4、市内爬坡:抓地力良好,前后轮同时输出,保障最大爬坡能力65%。
5、高速爬坡:发动机直驱,将大负荷工况能量转化损失降到最低,相比串联模式油耗可降低18%-25%;前后桥电机随时待命,提供高动力响应。
三个级别的长城DHT动力系统
长城根据车型定位的高低设计了三个级别的DHT动力系统,系统总功率从140kW到320kW,形成长城自家的HEV/PHEV动力总成矩阵。
A
主要应用于紧凑型车
动力架构:1.5L自然吸气四缸汽油机+ 100kW混动变速箱(DHT100)
动力系统综合功率:140-170kW
动力系统综合效率>50%
灵活性:可实现HEV/PHEV两种动力

B
主要应用于中型车
动力架构:1.5T涡轮增压四缸汽油机+ 130kW混动变速箱(DHT130)
动力系统综合功率:180-240kW
动力系统综合效率>50%
灵活性:可实现HEV/PHEV两种动力

C
主要应用于中大型车
动力架构:1.5T涡轮增压四缸汽油机+ 130kW混动变速箱(DHT130) + 135kW后桥电机(P4电机)
动力系统综合功率:320kW
动力系统综合效率>50%
灵活性:可实现PHEV动力,没有HEV版本

最后,笔者用一个表格来总结长城DHT动力系统的一些数据:
| 长城DHT动力矩阵 | ||||||
| 动力系统 | 驱动模式 | 系统最大功率 | 破百加速 | 电池容量 | 纯电续航 | 最低油耗 |
| 1.5L + P2×2 | HEV前驱 | 140kW | 1.76kWh | 4km | 4.7L/100km | |
| PHEV前驱 | 170kW | 13kWh<?<45kWh | 170km | |||
| 1.5T + P2×2 | HEV前驱 | 180kW | 7.5s | 1.76kWh | 4km | 5.0L/100km |
| PHEV前驱 | 240kW | 7.2s | 13kWh<?<45kWh | 170km | ||
| 1.5T+P2×2+P4 | PHEV四驱 | 320kW | 5.2s | 45kWh | 200km | |
本节完结。
长城推广DHT的积极意义
1、长城自主研发,具备完全自主产权,有助于提升长城在新能源领域的话语权。
2、长城是一家走量的车企,2020年111万辆。因为有产业规模的优势,因此高投入的模块化研发成本也能在后期被平摊掉。
3、包括长城在内的多数自主品牌,一直以来都受到高油耗的困扰,生存空间在双积分规则下被不断压缩,因此必须通过大规模投放更低成本的混动系统才能匀回积分损失。
4、长城在利用全球供应链优势的前提下,自主控制着关键零部件,因政治事件造成关键零部件断供的风险降低。
5、催生长城品牌的高性能车型,提升品牌形象。第一款搭载长城DHT混动系统的产品是“WEY品牌紧凑型SUV”,属于WEY今年推出的第二款车型,最低燃耗为4.7L/100km。

6、中国城市化进程很快,但中国国境广袤,还有广大的农村地域,市场需要长续航的车型,混动是目前最佳选择。混合动力不是过渡技术,发电不全是绿电(环保发电),也有相当一部分灰电、黑电(高污染发电)。
(图/文:太平洋汽车网黄恒乐)

扫一扫关注微信