普桑就是板桑,就是普通型桑塔纳,也就是那个最原汁原味的桑塔纳,从80年代初引进中国以来基本没变化的桑塔纳,也是最最纯粹的桑塔纳。
桑塔纳的动力其实还不错,就是放在当下,也过得去,搁在当年更是牛X,不过因为车型平台老旧,那个年代的车子一直是前盘后鼓的刹车结构,引进国内之后也没有改进(别说桑塔纳了,POLO都是鼓刹的),所以为了改变刹车点头翘屁股的问题,我们来自己动手升级后盘刹。
本文的方案适合一切桑塔纳,包含普桑、桑旅、2000、3000、志俊……但是不适合新桑,新桑另外有方案。本文的原则是尽可能使用大众其他车型的原厂件作为升级,部分定做部件公开数据和图纸,希望对大家有所帮助。

先来一个全家福,所有要用到的东西,都在这里了

刹车盘、桥码、桥码螺丝、分泵总成、刹车挡板、手刹拉线、分泵支架螺丝、手刹拉线卡扣、刹车片

刹车挡板POLO的,这是左边

这是右边

刹车分泵,为了节省开销,去报废场拆了一套宝来的后分泵,如果买新建,朗逸的也可以

后刹车盘,是宝来朗逸的后盘,打成捷达桑塔纳的孔。四孔,一般直销卖刹车盘的店家后面都有厂商,可以让厂商帮忙定做几个。

这个是桥码,安装后刹车分泵支架的平台,自己设计让线切割加工的,螺丝是M10X40的法兰面防滑齿螺栓,强度12.9级,已经是最高的工业等级了

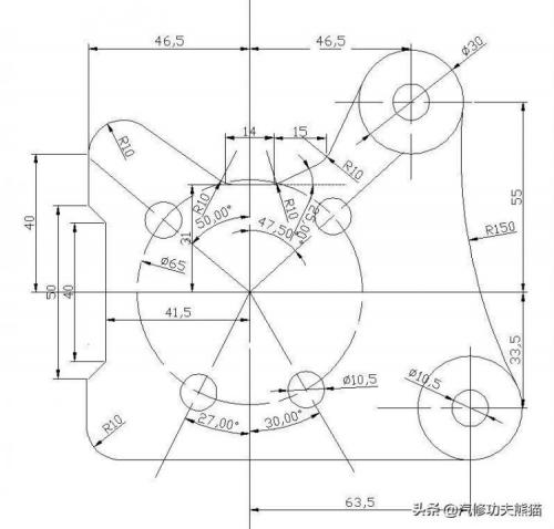
这个是桥码的尺寸图,我自己用CAD画的,需要的车友可以直接拿去,我自愿奉献出来,没什么版权问题,放心拿去便是。

螺丝特写

这个是分泵支架螺丝,用朗逸宝来的,原厂件螺丝

桥码厚度做个说明,直接买这个厚度的钢板即可

手刹拉线卡扣,也是拆来的,如果自己去买,也就十块钱左右一个吧

刹车油管,用POLO的,便宜

刹车油随意,只要是合格的DOT4刹车油就可以了,排空气用

刹车片宝来朗逸的均可,哪个便宜买哪个

准备开拆了,拆掉轮胎

准备拆轮毂

拿掉鼓刹

鼓盘就此拜拜了

刹车鼓底板也没用了,扔了,当废铁卖吧

两个后轴头要保留,继续使用

后桥端面凸起要磨平

ABS孔和POLO有点区别,自己挖大一点

按照桥底最底下、后轴在中间、挡板最前面的顺序,锁紧螺丝

另一边也照样炮制

看吧,ABS孔挖的多到位

装回轴承

装上刹车盘

周长上的ABS花篮齿圈不要忘记,看到了吗

装上刹车片和支架以及分泵

准备合上分泵


接下来就是手刹拉线了,这个车有两个部件需要自己定做,一个是敲码,一个是手刹拉线,这个是手刹拉线的尺寸,需要的车友可以到当地汽配市场,肯定有定做拉线的地方,按这个尺寸做就可以了。

好了,后刹车搞定了

近距离来个特写,原装感十足是吧

再从这个角度看,谁感说不是原装的呢

装上轮胎,满满的原厂感,毫无违和感,先不说美观不美观,制动效果就上了一个台阶了呀。
出去试车之后,刹车点头现象消失,这台车改完至今开了六年了,至今一直很完美,换过刹车片刹车盘,属于正常磨损,其他一切完好。
对于升级盘刹来说,好处还是多多的,首先散热好了,热衰竭就少了,下坡连续刹车制动效果不衰竭。另外制动灵敏了,安全更有保障。
本文到此结束,如果意犹未尽的小伙伴,可以点击下方的“了解更多”,关注本人的更多文章。

扫一扫关注微信