多路彩灯控制电路的核心器件是大规模集成电路SE9201,该集成电路具有花样新颖、功能多、电压低、功耗小等优点,通过晶闸管控制可用于节日彩灯、广告招牌、门面灯光装饰控制等。
电路图
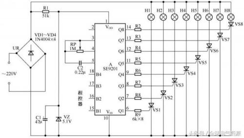
多路彩灯控制电路如图1-22所示。
工作原理
集成电路SE9201有4个花样选择端B1~B4,通过程控器进行不同的电平连接,可组成众多变化的闪光花样。有8个输出端Q1~Q4和Q5~Q8,可驱动八路彩灯,由于Q1~Q4与Q5~Q8具有对称性,故也可简化成四路控制彩灯。集成电路SE9201使用的电源电压为3~8V,典型值为5V。该电路外围元件少,只需外接一只电阻器和一只电容器,它们的值决定振荡器的时钟频率。通常电容器的容量取0.1~0.22μF,电阻采用1MΩ可变电阻器,通过改变其阻值就可以改变闪光的快慢。

集成电路SE9201具有8种基本花样:①四点追逐;②弹性张缩;③跳马右旋;④跳马左旋;⑤依次亮同时灭;⑥同时亮依次灭;⑦左右扩张;⑧全亮间隔闪光。通过花样选择端B1~B4不同电平的编程组合,可实现8种基本花样单循环、双循环以及自动变换的全循环和双全循环等4种循环功能的选择和控制。表1-1提供了27种花样控制方式供用户选择。自动转换全循环时,每种花样闪光的次数,除全亮间隔闪光四次外,其他花样都是八次。而双循环和双全循环的每种花样的闪光次数都为自动转换次数的一半。

表1-1 SE9201集成电路控制彩灯花样组合
来源:《电工常用经典线路应用范例》

扫一扫关注微信