升压变换器是一种常用的DC-DC电源变换器,它能将低电压的直流输入升压为更高的直流输出,同时可以实现升压电源(Boost)、升降压电源(Buck-Boost)、SEPIC电源、隔离反激电源等多种拓扑。在工业控制、汽车电子等领域得到了广泛应用。

思瑞浦推出TPQ5055xQ和TPQ50571Q两款高效率、小尺寸、易于使用的非同步升压控制器和转换器。
TPQ5055xQ和TPQ50571Q为非同步升压控制器和转换器,采用固定频率PWM峰值电流模式控制方式,采用思瑞浦自主知识产权的双抖频技术优化EMI性能。内部集成过温保护、固定斜坡补偿与可配置斜坡补偿功能、软启动功能和过流保护等多种保护功能。
TPQ5055xQ为控制器,可支持宽输入电压范围,并搭配MOSFET、IGBT或SiC功率管,适用于更广泛的应用场合;TPQ50571Q集成高达5A电流能力的MOSFET,可适用于小尺寸、高功率密度应用场景。
TPQ5055xQ产品特点
车规AEC-Q100等级1认证
输入电压范围:2.9V至45V 1.5A门级驱动能力
可调开关频率:100kHz~2.2MHz
可调输入欠电压锁定(UVLO)
可调软启动时间
PowerGood输出指示
可选Hiccup过载保护模式
可选双抖频功能
可选带可浸润侧翼的QFN 3mmX2mm封装
TPQ5055xQ Boost应用12V升压至24V效率曲线图

下图为TPQ5055xQ系列带抖频功能芯片的EMI传导特性图,其中测试条件为Boost应用,VIN=12V输入,VOUT=24V,IOUT=1A,f=440kHz,测试标准为CISPR25 class 3。

TPQ50571Q产品特点
车规AEC-Q100等级1认证
输入电压范围:2.9V~45V
输出电压范围:从输入电压至48V
6.2A的开关电流限制
开关导通电阻为39mΩ
可调开关频率:100kHz~2.2MHz
可调输入欠电压锁定(UVLO)
可调软启动时间
PowerGood输出指示
可选Hiccup过载保护模式
可选展频功能
可选带可浸润侧翼3mmX3mm QFN封装
TPQ50571Q 12V升压至24V效率曲线图

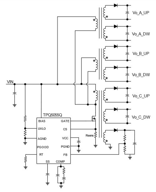
隔离辅助电源应用
在新能源汽车、储能系统和充电基础设施等应用中,随着电压的增加,稳定可靠的隔离电源变得尤为重要。例如,在新能源汽车的电驱系统、车载充电器和车载DCDC电源中,需要从12V/24V或48V的车载系统产生多路辅助电源,以供隔离驱动使用。


与传统的PWM控制器相比,TPQ5055xQ具有以下优势:
提高开关频率,减小变压器体积;
提供保护和诊断功能;
针对电磁干扰(EMI)进行优化;
低静态功耗,高效率。
高压备用电源应用
TPQ5055xQ的出色静态工作电流性能,使其适用于将高压电池包直接转换为隔离低压供电的备用电源场景。这有助于在主电源12V失效的情况下,确保系统满足系统级功能安全需求。

TPQ50571Q正负电源输出
在光模块、激光雷达等应用中,经常需要高压正负电源轨,TPQ50571Q可同时产生多电源轨。

TPQ50571Q SEPIC电源应用
SEPIC方案因其宽输入范围、输出完全关断、低EMI并且低成本、固定输出电压的优势,广泛应用于车载电源稳压、摄像头电源供电等领域。
TPQ50571Q集成5A大电流MOSFET,可广泛适用于需要宽输入范围的SEPIC拓扑,可在宽输入范围内避免Buck-Boost拓扑的模式切换而造成的环路不稳定和纹波增大。

TPQ5055xQ和TPQ50571Q现已量产,可提供样品和评估板服务,同时可提供系统和应用建议。您可以联系思瑞浦当地销售团队或邮件至business@3peak.com,也可拨打销售热线021-51090810转分机6016。

                        扫一扫关注微信